
Art.Nr.: Mat-7241857
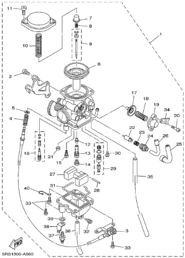
Position 16, 29 und 31
Vergaser Reparatursatz (Kurz Satz) Tourmax
Made in Japan
Sämtliche Gummikomponenten bestehen aus benzinresistentem Material.
Yamaha Vergleichsnummer:
- Leerlaufgemischschraube
5RS-14105-00-00
- Schwimmernadelventil Satz
5LB-14390-00-00
- Dichtung Schwimmerkammer
5LB-14384-00-00
Geeignet für u.a.:
- TW125 ab 2002
- TW200 ab 2001
- TW225
25,20 EUR
inkl. 19 % MwSt. zzgl. Versandkosten