
Art.Nr.: Mat-7241520
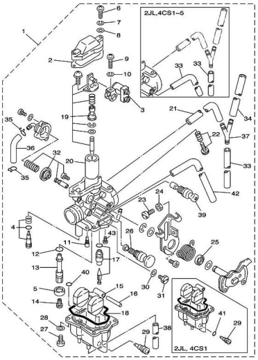
Position 18
Schwimmerkammerdichtung Tourmax
Made in Japan
Besteht aus hochwertigen Dichtungskomponenten.
Yamaha Vergleichsnummer:
30X-14384-00-00
Geeignet für u.a.:
- TW200 bis 2000
12,83 EUR
inkl. 19 % MwSt. zzgl. Versandkosten