
Art.Nr.: Mat-7520175
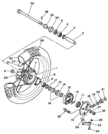
Position: 4, 5, 6 und 11
All Balls Racing liefert Radlagersätze in original Hersteller-Qualität
Enthalten sind diese Teile:
- 3 Radlager
- 2 Simmerringen
Geeignet für u.a.:
- TW200 bis 2000
-->> mit Trommelbremse vorne
17,98 EUR
inkl. 19 % MwSt. zzgl. Versandkosten